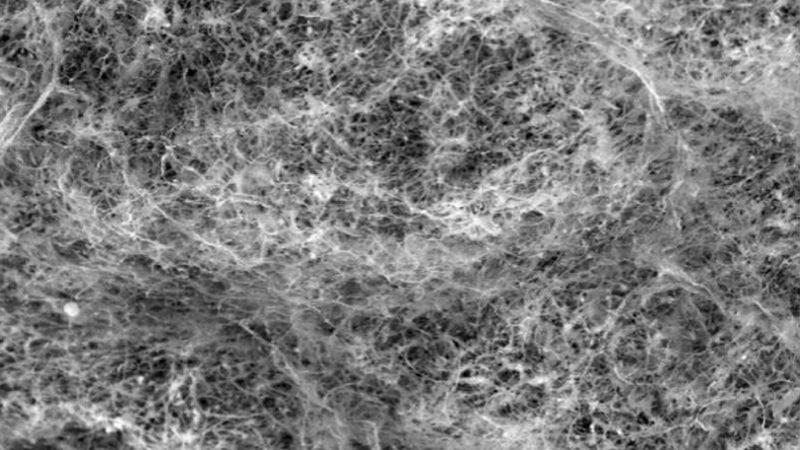
Sindirim sistemi, akciğerler ve idrar yolu da dâhil olmak üzere vücudumuzun büyük bir kısmı mukus salgılar. Mukus, vücudumuzu dışarıdan gelebilecek etkenlerden ve mikroplardan korur ancak yapılan son araştırmalarla birlikte mukusun yalnızca bu işe yaramadığına, aynı zamanda patojenleri etkisiz hâle getirip enfeksiyonlara neden olmalarını engellediğine dair bazı kanıtlar bulundu.
MIT tarafından yapılan çalışmada 'glikan'ların (mukusta bulunan bir molekül), mikropların ehlileştirilmesinde etkin rol oynadığı ortaya çıktı. Mukusta yüzlerce farklı glikan bulunduğunu belirten araştırma ekibi; bu moleküllerin, bakterilerin birbirleriyle iletişim kurmasını ve bulaşıcı biyofilmler oluşturmasını önleyerek etkili bir şekilde zararsız hâle getirdiğini keşfetti.
Glikan, altın madeni kadar değerli

Glikan'ların çok geniş ve sofistike biyolojik fonksiyonları olduğu belirtiliyor. Bu moleküllerin mikropların davranışlarını düzenleyebildiğini ve kimliklerini ayırt edebildiklerini belirten MIT'den Profesör Katharina Ribbeck, glikan'lar hakkında 'Mukusta bulunan tedavi edici bir altın madeni' ifadelerini kullandı.
Glikan'lar, oldukça güçlü ve savunmacı moleküllerdir:

Bir tür oligosakarit olan bu glikan moleküllerin mikropları kontrol altında tutabileceğini düşünen Katharina Ribbeck ve ekibi, bu doğrultuda bazı testler ve araştırmalar yaptı. Bu olasılığı keşfetmek içinse glikan'ları izole etti ve onları Pseudomonas aeruginosa'ya (bir tür bakteri) maruz bıraktı. Sonuç olarak müsin glikan'larına maruz kalan bakteriler, konakçıya daha az zarar verecek şekilde davranarak geniş çaplı değişiklikler geçirdi.
Bu mikrop öldürücü aktivite, bu tarz bakterinin enfeksiyon oluşturma kabiliyeti üzerinde güçlü sonuçlar doğurmayı başardı. Ribbeck, Pseudomonas ile enfekte olmuş yanık yaralarının müsin ve müsin glikan'larla tedavisinin bakteriyel proliferasyonu azalttığını ve bu nötrleştirici ajanların terapötik potansiyelini gösterdiğini kanıtladı.
Yapılan testler neticesinde glikan'ların, ilaç direncine karşı genleri yaymak için sıklıkla kullanılan bir işlem olan yatay gen transferini engelleyebileceği de keşfedildi. Bu noktada Ribbeck, mukusun güçlerini kullanarak antibiyotiğe dirençli enfeksiyonların tedavisinde yeni bir yol açılabileceğini ve glikan'ın, geleneksel antibiyotiklere tamamlayıcı bir strateji sunduğunu söylüyor. Bu deneyler boyunca araştırmacılar, yüzlerce farklı glikan kullandılar. Ekibin şimdiki hedefiyse özellikle farklı yollarla veya farklı mikroplarla etkileşime girebilen bireysel glikan'ların etkilerini incelemek.
